新闻动态
KWZK科威自控集团
网站首页
关于我们
公司简介
在线反馈
联系我们
产品展示
全部
传感器/变送器
流量计系列
液位/料位系列
阀门/执行装置
液压/气动元件
检维修工器具
化验/分析仪器
其他机电仪产品
新闻动态
全部
行业知识
企业新闻
资料下载
客户案例
新闻动态
推荐
热门
最新
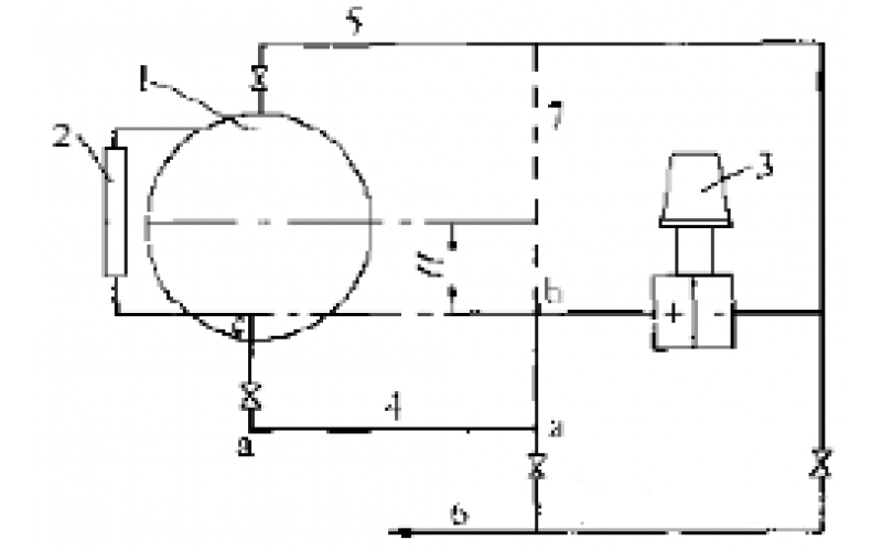
WAX-C320差压变送器在强腐蚀系统中的应用
WAX-C320差压变送器在强腐蚀系统中的应用
2022-09-23
科威
WAX-C320差压变送器液面测量的管路改装分享
WAX-C320差压变送器液面测量的管路改装分享
2022-09-22
科威
上一页
1
下一页
转至第
首页
产品
新闻
联系
爱游戏ayx官网首页_爱游戏(中国)
|
乐鱼买球·(中国)官方网站
|
乐动官网
|
世界杯官网
|
世界杯网上下单平台(中国)集团公司
|
米兰app官方端网站入口
|
开云体验app官方入口_开云(中国)
|
ld(中国)官方网站
|
九游网
|