现场临电变压器容量选择、配电系统设计、电缆选型以及配电箱设计
现场临电变压器容量选择、配电系统设计、电缆选型以及配电箱设计
施工现场临时用电做法详解系列
一、施工现场临时用电负荷计算详解,内含实例
二、现场临电变压器容量选择、配电系统设计、电缆选型以及配电箱结构设计
三、施工现场临时用电施工组织设计详解
01、变压器容量选择
选择变压器时要考虑以下三点:
1、变压器本身的有功损耗和无功损耗。
2、变压器的容量应大于其供电现场的总视在计算负荷。
3、在装设变压器时,应留有15%~25%的富裕容量。
变压器有功损耗△PB和无功损耗△QB的计算
通常在负荷计算时,变压器的有功损耗和无功损耗可按下列近似公式计算:
△PB ≌ 0.02Sj
△QB ≌ 0.08Sj
△SB=√(△PB2 + △QB2)
变压器选择示例
△PB ≌ 0.02Sj=0.02*1988.88=397.78 KW
△QB ≌ 0.08Sj=0.08*1988.88=1591.10 KVAR
△SB=√(△PB2 + △QB2)=1640.07 KVAl
则根据Sj=1988.88KVA和△SB=1640.07KVA,可选择总容量为2050KVA以上的变压器几台。条件允许可选择相应规格的箱式变电站,也可以选择杆上变压器。此工程中业主提供了3台800KVA的箱变,即业主提供的变压器能够满足施工现场需要。
02、设计配电系统
临电系统基本结构:
1、采用三级配电系统
2、采用TN-S接零保护系统
3、采用二级漏电保护系统
何谓三级配电系统
所谓三级配电是指施工现场从电源进线开始至用电设备之间,经过三级配电装置配送电力。即由总配电箱(一级箱)或配电室的配电柜开始,依次经由分配电箱、开关箱到用电设备。这种分三个层次逐级配送电力就称为三级配电系统。

何谓TN-S接零保护系统
1)TN-S系统是指整个系统中的中性线与保护零线是分开的。
2)保护零线严禁通过任何开关和熔断器。
3)保护零线除了在工作接地线或总配电箱电源侧从零线引出外,在任何地方不得与工作零线有电气连接。
4)保护零线必须在配电室或总配电箱处作重复接地外,还必须在配电线路的中间或末端处做重复接地,重复接地必须接在保护零线上。
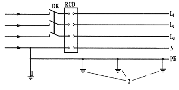
有专用变压器供电时TN-S接零保护示意图

1—工作接地;2—PE线重复接地;3一电气设备金属外壳(正常不带电的外露可导电部分);L1、L2、L3—相线;N—工作零线;PE—保护零线;DK—总电源隔离开关;RCD—总漏电保护器(兼有短路、过载、漏电保护功能的漏电断路器);T—变压器
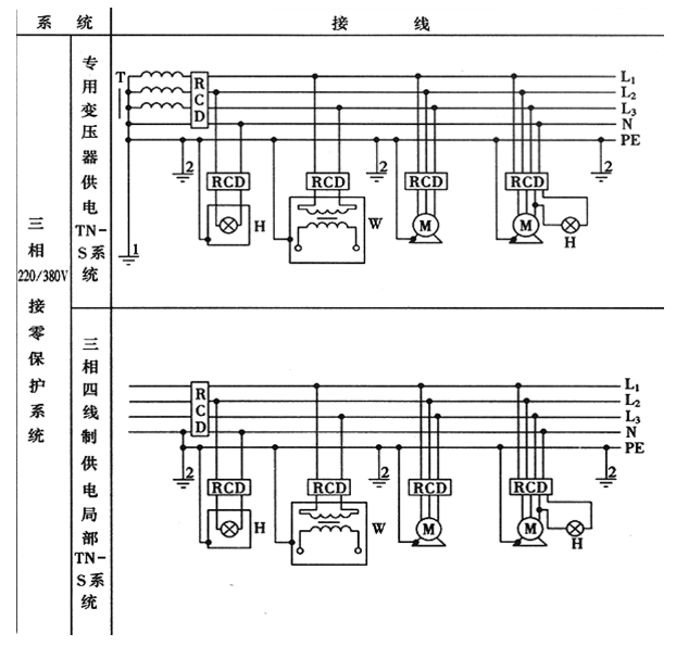
三相四线制供电时局部TN-S接零保护示意图

1—NPE线重复接地;2—PE线重复接地;L1、L2、L3—相线;N—工作零线;PE—保护零线;DK—总电源隔离开关;RCD—总漏电保护器(兼有短路、过载、漏电保护功能的漏电断路器)
何谓二级漏电保护
二级漏电保护系统是指在施工现场基本供配电系统的总配电箱和开关箱首末二级配电装置中,设置漏电保护器。
漏电保护器使用接线方法示意

L1、L2、L3—相线;N—工作零线;PE—保护零线、保护线;1—工作接地;2—重复接地;T—变压器;RCD—漏电保护器;H—照明器;W—电焊机;M—电动机
配电系统设置规则
1)总配电箱以下可设若干分配电箱;分配电箱以下可设若干开关箱;
2)总配电箱应设在靠近电源的区域,分配电箱应设在用电设备或负荷相对集中的区域;
3)分配电箱与开关箱的距离不得超过30米,开关箱与其控制的固定式用电设备的水平距离不宜超过3米。
4)每台用电设备必须有各自专用的开关箱,严禁用同一个开关箱直接控制2台及2台以上用电设备(含插座)。
5)动力配电箱与照明配电箱宜分别设置。当合并设置为同一配电箱时,动力和照明应分路配电;动力开关箱与照明开关箱必须分设。
配电线路设置
施工现场临时用电通常采用的结构型式有放射式和链式配线。
放射式配线是指一些独立负荷或集中负荷按它所在位置依次连接到某一条配电干线上,施工现场的一级箱向二级箱供电,以及对塔吊、施工电梯等供电,均采用放射式供电。
放射式供电示意图

链式配电多用于大面积厂房施工以及装修阶段楼层用电。示意图如下:

设计配电线路,选择导线或电缆
以教学楼为例,根据现场情况,业主提供一台500KVA变压器,下设两路400A断路器及一路250A断路器,故现场设两个一级配电箱,每个一级配电箱下设四个二级配电箱,每个二级配电箱可依据现场施工情况,带若干移动式开关箱。配电线路干线图如下:
教学楼配电线路图

03、电缆的选型
1)架空线必须采用绝缘导线。
2)电缆中必须包含全部工作芯线和用作保护零线或保护线的芯线。需要三相四线制配电的电缆线路必须采用五芯电缆。
3)五芯电缆必须包含淡蓝、绿/黄二种颜色绝缘芯线。淡蓝色芯线必须用作N线;绿/黄双色芯线必须用作PE线,严禁混用。
4)埋地敷设宜选用铠装电缆;当选用无铠装电缆时,应能防水、防腐。架空敷设宜选用无铠装电缆。埋地电缆通常选型可选VV22型或YJV22型。
电缆截面选择
1)导线中的计算负荷电流不大于其长期连续负荷允许载流量。
2)线路末端电压偏移不大于其额定电压的5%。
3)三相四线制线路的N线和PE线截面不小于相线截面的50%,单相线路的零线截面与相线截面相同。
4)按机械强度要求,架空绝缘铜线截面不小于10mm2,架空绝缘铝线截面不小于16mm2。
5)在跨越铁路、公路、河流、电力线路档距内,绝缘铜线截面不小于16mm2,绝缘铝线截面不小于25mm2。
电流计算
Ijs=Sjs /(√3*U)=Pjs /(√3*U*cosФ)
Sjs—视在功率
U —额定电压0.38KVl
Ijs —计算电流
电流计算示例
以教学楼箱变至A1箱电缆为例,A1箱所带用电设备如下:

Sjs=K(K1ΣP1/COSΦ+K2ΣP2+K3ΣP3)
=1.05*(0.5*252.6/0.75+0.6*96)
=237.3KVA
Ijs=Sjs /(√3·U)
=237.3/(1.732*0.38)
=328.6A
电缆载流量表
电缆载流量可参考各电缆厂家样本及92DQ1的数据;也可参考下表。
电缆截面选择
查表可知,VV3*240+2*120电缆允许载流量为335A,计算电流Ijs=328.6A小于此电缆允许载流量,故选取VV3*240+2*120电缆。
目前常用VV22电缆截面与电流对照表

电缆压降校核
⊿u% =ΣM /(C×S)……………………(1)
ΣM =Σ(P×L)…………………………(2)
⊿u%—电压损失百分数;
ΣM—负荷力矩总和(KW×M);
P—电路总功率(KW);
L—电源距离负荷的距离(M)
S—导线截面面积(平方毫米)
C—材料系数,铜导线时取83,铝导线时取50。
⊿u% = P×L/(C×S)
=237.3*80/83*240
=0.95%<5%
其中电缆长度为80米。故电压降符合要求
04、配电箱结构设计
总配电箱的电器应具备电源隔离,正常接通与分断电路,以及短路、过载、漏电保护功能。电器设置应符合下列原则:
1、当总路设置总漏电保护器时,还应装设总隔离开关、分路隔离开关以及总断路器、分路断路器或总熔断器、分路熔断器。当所设总漏电保护器是同时具备短路、过载、漏电保护功能的漏电断路器时,可不设总断路器或总熔断器。
2、分配电箱应装设总隔离开关、分路隔离开关以及总断路器、分路断路器或总熔断器、分路熔断器。其设置和选择应符合规范JGJ46-2005第8.2.2条要求。
3、开关箱必须装设隔离开关、断路器或熔断器,以及漏电保护器。当漏电保护器是同时具有短路、过载、漏电保护功能的漏电断路器时,可不装设断路器或熔断器。隔离开关应采用分断时具有可见分断点,能同时断开电源所有极的隔离电器,并应设置于电源进线端。当断路器是具有可见分断点时,可不另设隔离开关。
4、其它具体要求可见JGJ46-2005第六章、第八章。
配电箱开关装置选型
选型原则:
1、线路必须有短路保护。
采用熔断器做短路保护时,其熔体额定电流不应大于明敷绝缘导线长期连续负荷允许载流量的1.5倍。
采用断路器做短路保护时,其瞬动过流脱扣器脱扣电流整定值应小于线路末端单相短路电流。
2、线路必须有过载保护。
采用熔断器或断路器做过载保护时,绝缘导线长期连续负荷允许载流量不应小于熔断器熔体额定电流或断路器长延时过流脱扣器脱扣电流整定值的1.25倍。
断路器的短路保护与过负荷保护
l采用断路器做短路保护时,其瞬动过流脱扣器脱扣电流整定值应小于线路末端单相短路电流。l短路电流计算比较复杂,需要的各项数据非常多,专业性也比较强,下表为低压出口处的短路电流,可作为计算的参考,如有兴趣可参阅《全国民用建筑工程设计技术措施-电气》中短路电流的计算。l瞬动过流脱扣器脱扣电流整定值一般为长延时脱扣器脱扣电流整定值的15倍。断路器的极限分段能力一般在几十千安,长延时脱扣整定值一般为断路器额定值的0.6到1。断路器的具体参数需参见各断路器的性能。

各配电箱示例如下:
一级配电箱系统图

二级配电箱系统图

焊机专用箱系统图

动力开关箱系统图

配电箱内元器件的一些基本原则
1)开关箱中漏电保护器的额定漏电动作电流不应大于30mA,额定漏电动作时间不应大于0.1s。
2)使用于潮湿或有腐蚀介质场所的漏电保护器应采用防溅型产品,其额定漏电动作电流不应大于15mA,额定漏电动作时间不应大于0.1s。
3)总配电箱中漏电保护器的额定漏电动作电流应大于30mA,额定漏电动作时间应大于0.1s,但其额定漏电动作电流与额定漏电动作时间的乘积不应大于30mA·s。
4)总配电箱漏电一般选用DZ20LE系列,二级配电箱漏电一般选用DZ15LE系列,开关箱漏电一般选用DZ47LE系列。
5)断路器选择时多选用可视断路器。