新闻动态

  • 气动调节阀开不到位故障处理案例

    气动调节阀阀门能关到位,但开不到位 接到工艺电话通知时就要考虑到该调节阀所调节的工艺介质是重组分,主要作用是控制T-6004A罐液位来保证装车正常,该阀出现故障要及时处理好,避免影响装车。

    2025-09-01 科威

  • 分程控制系统对调节阀的要求及实例

    分程是靠阀门定位器或电一气阀门定位器来实现的。如某调节器的输出信号范围是0.02~0.1MPa气信号,要控制A、B两只调节阀,那么只要在A、B调节阀上分别装上气动阀门定位器,A阀上的定位器调整为:当输入0.02~0.06MPa时,输出为0.02~0.1MPa;而B阀上的定位器调整为:当输入0.06~0.1MPa时,输出为0.02~0.1MPa。即当调节器输出在0.02~0.06MPa时,A阀动作,而调节器输出在0.06~0.1MPa时,B调节阀动作,从而达到了分程的目的。

    2025-08-11 科威

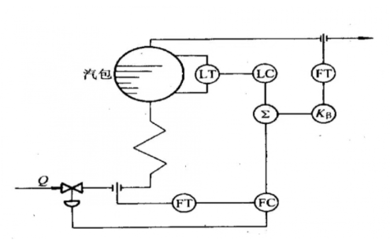
  • 锅炉汽包液位三冲量控制系统

    主被控变量:汽包液位,由液位变送器(LT)测量,经导压管将汽包内液位信号引出,送至主调节器(LC)。 副被控变量:给水流量,由流量变送器(FT2)测量,安装在给水管道的孔板处,通过导压管将差压信号转换为电信号,送至副调节器(FC)。

    2025-08-08 科威

  • 仪表设备外壳接地和保护接地的区别

    安全防护:与保护接地类似,防止外壳带电伤人。 电磁屏蔽:抑制电磁干扰(如电子设备的外壳接地)静电释放:避免静电积累(如通信设备机柜)

    2025-07-29 科威

  • 工艺流程中阀门互锁实际应用

    阀门互锁装置的一种方式是一个钥匙锁总成,它将阀门锁定在一个或两个位置(打开和/或关闭),一把钥匙卡在锁总成内,另一把钥匙自由。它是控制事件的顺序,来进行不同的阀门过程活动

    2025-07-21 科威

  • 增速继动器(放大器)的正确安装与日常维护要点

    当定位器输出的控制气体信号经信号口传入增速继动器后,信号压力会立即作用于内部的敏感元件,常见的敏感元件如膜片、活塞等。

    2025-07-09 科威

  • DCS系统的切断阀允许加旁路吗?

    在工业过程控制系统中,DCS(分散控制系统)切断阀是否允许加旁路需结合工艺安全、可靠性及规范要求综合判断。以下是关键分析:

    2025-07-09 科威

  • 气动调节阀关闭不到位的原因分析

    信号问题 阀门控制信号的传输存在问题,可能是信号线路故障,或者控制系统中的传感器、变送器等设备故障。

    2025-07-07 科威

首页
产品
新闻
联系